FORT Fencing
Agricultural & Equine Fencing


Product Ref: LIPL0110094
Local Delivery
Yes we can deliver to your address
Sorry, we cannot deliver to your location at the moment
Delivery address not within our radius? Contact our friendly sales team now!
Click & Collect
In Stock
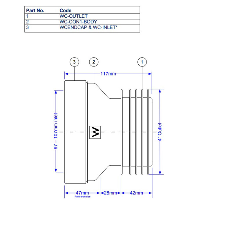
Outlet fits 4"/110mm inside diameter of PVC-U and cast iron soil pipe. 97-107mm Inlet suits all pan spigots.